
PUBLICATION
Proceedings of India Council International Conference (INDICON), 2018 15th IEEE.
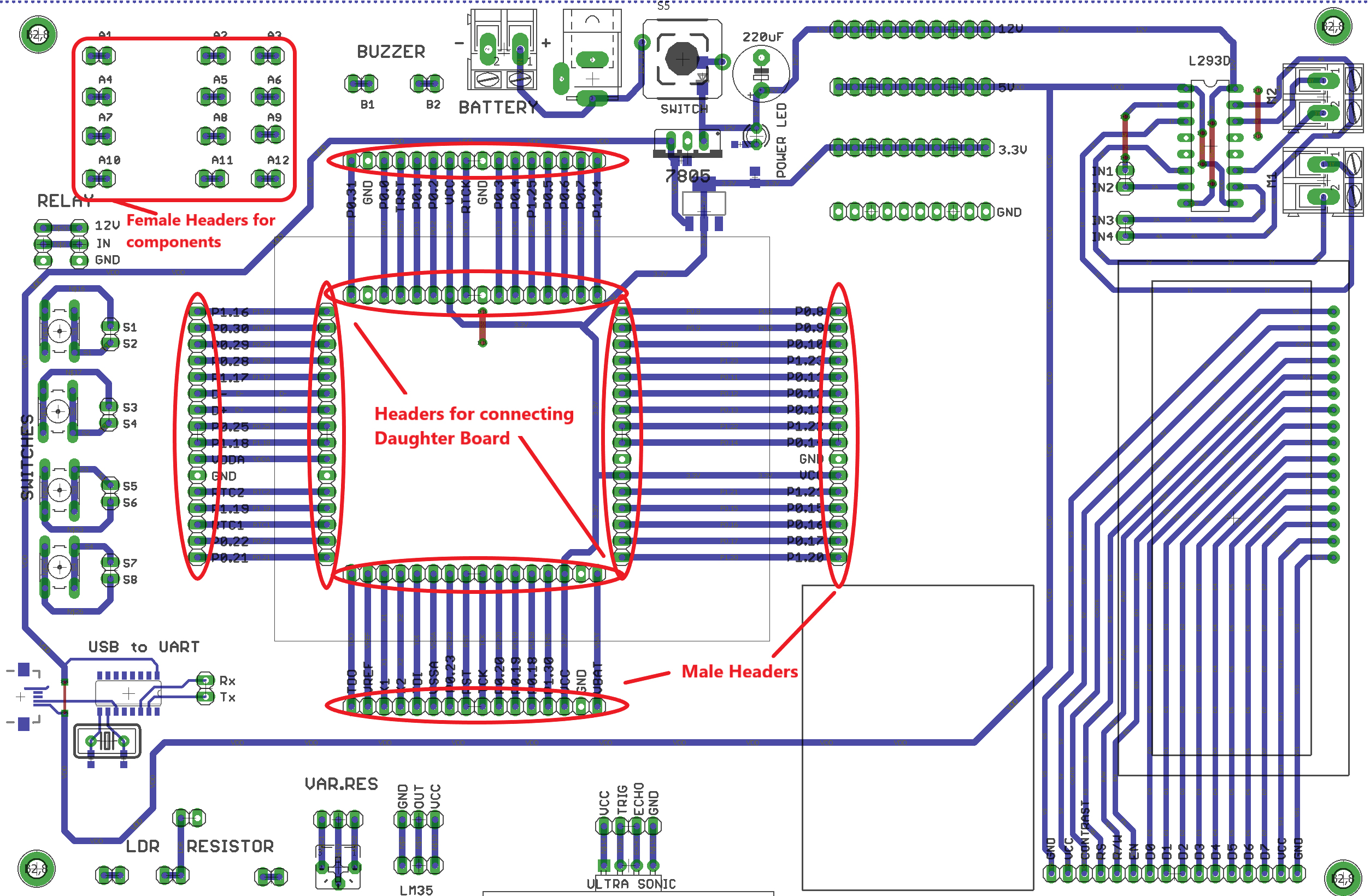
Learn more IEEE ExploreHardware design, fabrication, and testing of a multi-microcontroller training kit employing Autodesk EAGLE, as an innovative approach to embedded systems programming and communication networks training
Microcontrollers are paramount to a lot of areas of engineering and it is important to learn about embedded systems. But, the tools that are available for training students are either pre-built kits where the focus is only on programming or difficult to use launchpads where we need to use breadboards or other alternatives for hardware connections. This project investigated this convenience-awareness trade-off and built a solution that was aimed at beginners to microcontroller programming while simultaneously catering to experts and industries
Proceedings of India Council International Conference (INDICON), 2018 15th IEEE.
Learn more IEEE Explore